ChemNet
 

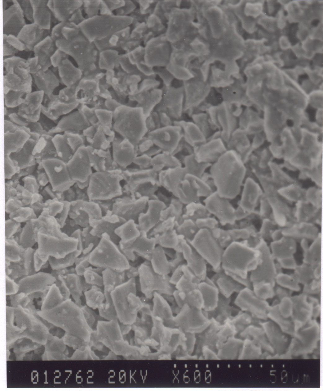
а

б

Рис. 2. Внешняя поверхность (а) и поперечное сечение (б) подложки.
Пористая структура подложек формируется межчастичным пространством.
Поры имеют сечение неправильной формы и весьма существенно различаются
по размерам. Внешняя поверхность, на которую наносили Мо, не идеальна и
обладает заметной шероховатостью.

Copyright ©


Для того, чтобы мы могли качественно предоставить Вам информацию, мы используем cookies, которые сохраняются на Вашем компьютере (сведения о местоположении; ip-адрес; тип, язык, версия ОС и браузера; тип устройства и разрешение его экрана; источник, откуда пришел на сайт пользователь; какие страницы открывает и на какие кнопки нажимает пользователь; эта же информация используется для обработки статистических данных использования сайта посредством интернет-сервисов Google Analytics и Яндекс.Метрика). Нажимая кнопку «СОГЛАСЕН», Вы подтверждаете то, что Вы проинформированы об использовании cookies на нашем сайте. Отключить cookies Вы можете в настройках своего браузера.

Сервер создается при поддержке Российского фонда фундаментальных исследований
Не разрешается  копирование материалов и размещение на других Web-сайтах
Вебдизайн: Copyright (C) И. Миняйлова и В. Миняйлов
Copyright (C) Химический факультет МГУ
Написать письмо редактору